U-KOP ECO TYPE

€ 125,00
  • U kop verzinkt
  • Eco type goedkope oplossing
  • Past op alle type's van schoren 
  • Per 10 stuks voor andere hoeveelheden contacteer ons gerust

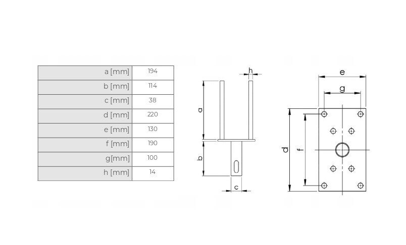
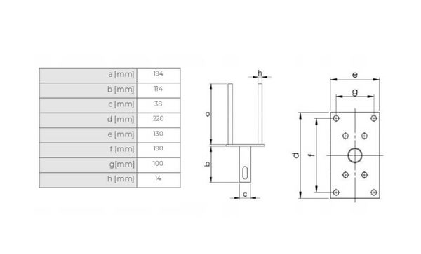
U-kop Koud verzinkt .

De koppen worden gebruikt om de H20-liggers in klassieke plafondbekistingssystemen te stabiliseren.

De constructie bestaat uit een stalen plaat waaraan aan één zijde een stalen buis is gelast en in de steunpoot is geplaatst. Aan de tegenoverliggende zijde van de plaat zijn vier bevestigingsstaven gelast op de liggers op de kop. Hierdoor bewegen of roteren de liggers niet.

De kop is galvanisch verzinkt , wat zorgt voor een hoge bescherming tegen de erosieve activiteit van water.

Het product stelt u in staat om met lichte, middelzware en zware steunen te werken en stelt u in staat om één of twee liggers tegelijk te steunen, afhankelijk van de gekozen afstand tussen de steunstaven.

 

Montage methode:

Afhankelijk van de behoefte moet de hoofdsteunbuis in het centrale gat van de bovenste of onderste steunplaat worden geplaatst. Vervolgens moet de kop met de juiste kant worden georiënteerd, afhankelijk van het aantal liggers dat erin moet worden geïnstalleerd. De liggers mogen niet op een andere manier in de kop worden gemonteerd dan het gevolg is van het beoogde gebruik.

Een van de foto's toont de exacte afmetingen van de U-kop.